Dépannage des chauffe-eau électriques
Des diagnostics pour Greentronic 7000 sont disponibles pour les codes d'erreur.
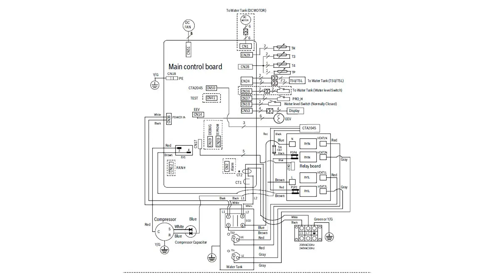
Schéma de câblage du Greentronic 7000 T
Schéma de câblage du Greentronic 7000 T
3 GreenTronic 7000 T - Code EC52
3 GreenTronic 7000 T - Code EC52
3.1 Disgnostic avancé du Support technique
3.1.1 Notes ISM
|
Raison générale |
CC-7000T |
|
Raison spécifique |
CC-EC52 |
3.1.2 Informations sur le code d'erreur
| Code d'erreur | EC52 |
|---|---|
| Signification du code d'erreur |
Capteur de température T3 non détecté |
| Causes possibles |
Fil du capteur rompu de température, capteur défectueux, mauvaise connexion à la carte |
3.1.3 Outils nécessaires
Multimètre numérique
3.1.4 Questions de diagnostic avancé (que faire ?)
Étape 1. Cycle d'alimentation
L'appareil se réinitialise-t-il après un cycle d'alimentation : OUI/NON
Résultats :
- Si oui, il pourrait s'agir d'un problème de connexion. Demandez à l'appelant de s'assurer que les connexions des fils du capteur T4 sont bien serrées.
- Si non – Passez à l’étape 2.
Étape 2. Vérifiez le capteur via l'écran pour voir la mesure
- Pour vérifier la mesure, appuyez sur le bouton Paramètres de la carte de commande.
- À l'aide des flèches Haut et Bas, faites défiler jusqu'à T3 et enregistrez les nombres au centre de l'écran dans ISM.
- Transférez l'appel aux spécialistes du support technique.
4 GreenTronic 7000 T - Code EC53
4 GreenTronic 7000 T - Code EC53
3.1 Disgnostic avancé du Support technique
4.1.1 Notes ISM
|
Raison générale |
CC-7000T |
|
Raison spécifique |
CC-EC53 |
4.1.2 Informations sur le code d'erreur
| Code d'erreur | EC53 |
|---|---|
| Signification du code d'erreur |
Capteur de température T4 non détecté |
| Causes possibles |
Fil du capteur rompu de température, capteur défectueux, mauvaise connexion à la carte. |
4.1.3 Outils nécessaires
Multimètre numérique
4.1.4 Questions de diagnostic avancé (que faire ?)
Étape 1. Cycle d'alimentation
L'appareil se réinitialise-t-il après un cycle d'alimentation : OUI/NON
Résultats :
- Si oui, il pourrait s'agir d'un problème de connexion. Demandez à l'appelant de s'assurer que les connexions des fils du capteur T4 sont bien serrées.
- Si non – Passez à l’étape 2.
Étape 2. Vérifiez le capteur via l'écran pour voir la mesure
- Pour vérifier la mesure, appuyez sur le bouton Paramètres de la carte de commande.
- À l'aide des flèches Haut et Bas, faites défiler jusqu'à T4 et enregistrez les nombres au centre de l'écran dans ISM.
- Transférez l'appel aux spécialistes du support technique.
5 GreenTronic 7000 - Code EC54
5 GreenTronic 7000 - Code EC54
5.1. Diagnostic avancé du Support technique
5.1.1 Notes ISM
|
Raison générale |
CC-7000T |
|
Raison spécifique |
CC-EC54 |
5.1.2 Informations sur le code d'erreur
| Code d'erreur | EC54 |
|---|---|
| Signification du code d'erreur |
Capteur de température TP non détecté |
| Causes possibles |
Fil du capteur rompu de température, capteur défectueux, mauvaise connexion à carte |
5.1.3 Outils nécessaires
Multimètre numérique
5.1.4 Questions de diagnostic avancé (que faire ?)
Étape 1. Cycle d'alimentation
L'appareil se réinitialise-t-il après un cycle d'alimentation : OUI/NON
Résultats :
- Si oui, il pourrait s'agir d'un problème de connexion. Demandez à l'appelant de s'assurer que les connexions des fils du capteur de pression des pneus sont bien serrées.
- Si non – Passez à l’étape 2.
Étape 2. Vérifiez le capteur via l'écran pour voir la mesure
- Pour vérifier la mesure appuyez sur le bouton Paramètres de la carte de commande.
- À l'aide des flèches Haut et Bas, faites défiler jusqu'à TP et enregistrez les nombres au centre de l'écran dans ISM.
- Transférez l'appel aux spécialistes du support technique.
6 GreenTronic 7000 - Code EH00
6 GreenTronic 7000 - Code EH00
6.1 Diagnostic avancé du Support technique
6.1.1 Notes ISM
|
Raison générale |
CC-7000T |
|
Raison spécifique |
CC-EH00 |
6.1.2 Informations sur le code d'erreur
| Code d'erreur | EH00 |
|---|---|
| Signification du code d'erreur | Erreur de la carte de commande |
| Causes possibles | carte de commande défectueuse |
6.1.3 Outils nécessaires
Aucun nécessaire pour ce code.
6.1.4 Questions de diagnostic avancé (que faire ?)
Étape 1. Cycle d'alimentation
L'appareil se réinitialise-t-il après un cycle d'alimentation : OUI/NON
Résultats :
- Si oui, il pourrait s'agir d'un problème d'alimentation. Remettez l'appareil en service et surveillez-le pour détecter d'autres erreurs.
- Si non – Si sur site avec des outils, transférez aux spécialistes du Support technique
7 GreenTronic 7000 - Code EH0b
7 GreenTronic 7000 - Code EH0b
7.1 Diagnostic avancé du Support technique
7.1.1 Notes ISM
|
Raison générale |
CC-7000T |
|
Raison spécifique |
CC-EH0b |
7.1.2 Informations sur le code d'erreur
| Code d'erreur | EH0b |
|---|---|
| Signification du code d'erreur |
Défaut de communication de l'affichage avec la carte |
| Causes possibles |
Fil rompu, carte de commande défectueuse, mauvaise connexion à la carte. |
7.1.3 Outils nécessaires
Multimètre numérique (si aucun outil, pas de transfert de niveau 2)
7.1.4 Questions de diagnostic avancé (que faire ?)
Étape 1. Cycle d'alimentation
L'appareil se réinitialise-t-il après un cycle d'alimentation : OUI/NON
Résultats :
- Si oui, il pourrait s'agir d'un problème de connexion. Demandez à l'appelant de s'assurer que les connexions des fils du panneau d'affichage sont bien serrées.
- Si non - Passez à l'étape 2
Étape 2. Vérifiez l'alimentation entrante et la taille du disjoncteur.
- Demandez à l'appelant de tester la VAC sur L1 et L2. Notez le résultat dans ISM.
- Demandez à l'appelant quelle est la taille du disjoncteur et notez la réponse en ISM.
Résultats :
- Si l'appelant est sur site avec des outils, transférez-les aux spécialistes du Support technique.
8 GreenTronic 7000 - Code EH03
8 GreenTronic 7000 - Code EH03
8.1 Diagnostic avancé du Support technique
8.1.1 Notes ISM
|
Raison générale |
CC-7000T |
|
Raison spécifique |
CC-EH03 |
8.1.2 Informations sur le code d'erreur
| Code d'erreur | EH03 |
|---|---|
| Signification du code d'erreur | Ventilateur non détecté. |
| Causes possibles |
Fil rompu au niveau du ventilateur, carte de commande défectueuse, mauvaise connexion à la carte. |
8.1.3 Outils nécessaires
Multimètre numérique
8.1.4 Questions de diagnostic avancé (que faire ?)
Étape 1. Cycle d'alimentation
L'appareil se réinitialise-t-il après un cycle d'alimentation : OUI/NON
Résultats :
-
- Si oui, il pourrait s'agir d'un problème de connexion. Demandez à l'appelant de s'assurer que les connexions des fils du ventilateur sont bien serrées.
- Si non – Il pourrait s'agir d'un capteur ouvert ou d'un problème de connexion. Passez à l'étape 2.
Étape 2. Le ventilateur fonctionne-t-il ?
- Mettez à jour les informations dans ISM pour indiquer si le ventilateur fonctionne ou non. Passez à l'étape 3.
Étape 3. Vérification des connexions de câblage
- Vérifiez que tout le câblage basse tension est correctement connecté et transférez l'appelant aux spécialistes du Support technique
9 GreenTronic 7000 - Code EH5d
9 GreenTronic 7000 - Code EH5d
9.1 Diagnostic avancé du Support technique
9.1.1 Notes ISM
|
Raisn générale |
CC-7000T |
|
Raison spécifique |
CC-EH5d |
9.1.2 Informations sur le code d'erreur
| Code d'erreur | EH5d |
|---|---|
| Signification du code d'erreur | Éléments chauffants ouverts |
| Causes possibles |
Éléments chauffants défectueux carte de commande défectueuse Câblage incorrect |
9.1.3 Outils nécessaires
Multimètre numérique (si aucun outil, pas de transfert de niveau 2)
9.1.4 Questions de diagnostic avancé (que faire ?)
Étape 1. Cycle d'alimentation
L'appareil se réinitialise-t-il après un cycle d'alimentation : OUI/NON
Résultats :
- Si oui, il pourrait s'agir d'un problème de connexion. Demandez-lui de s'assurer que les connexions des fils aux éléments chauffants sont bien serrées. Mettez à jour ISM et mettez fin à l'appel.
- Si non, passez à l'étape 2.
Étape 2. Vérifier l'ohmmètre de chaque élément
Coupez l'alimentation de l'appareil et vérifiez qu'il n'y a pas d'alimentation au niveau des bornes L1/L2 du bornier.
- Demandez à l'appelant de régler son multimètre numérique sur ohms.
- Placez une sonde sur chacune des extrémités de l'élément supérieur.
- Enregistrez la mesure en ohms.
- Placez une sonde sur chacune des extrémités de l'élément inférieur.
- Enregistrez la mesure en ohms.
Résultats :
- Si la mesure est de 12,8 OHMS (+/- 10 %), passez à l'étape 3.
- Si la mesure est ouverte ou en dehors de 12,8 ohms (+/- 10 %), remplacez l'élément. Indiquez le numéro de pièce, mettez à jour l'ISM et terminez l'appel.
Étape 3. Vérification des connexions des fils aux éléments.
Demandez à l'appelant de s'assurer que les connexions des fils aux éléments sont bien serrées et que les fils ne sont pas endommagés.
Résultats :
- Prenez note des connexions filaires dans ISM et transférez l'appelant aux spécialistes du Support technique
10 GreenTronic 7000 - Code EH5H
10 GreenTronic 7000 - Code EH5H
10.1. Diagnostic avancé du Support technique
10.1.1 Notes ISM
|
Raison générale |
CC-7000T |
|
Raison spécifique |
CC-EH5H |
10.1.2 Informations sur le code d'erreur
| Code d'erreur | EH5H |
|---|---|
| Signification du code d'erreur |
Capteur de température TH non détecté. |
| Causes possibles |
Fil du capteur rompu de température, capteur défectueux, mauvaise connexion à la carte. |
10.1.3 Outils nécessaires
Multimètre numérique
10.1.4 Questions de diagnostic avancé (que faire ?)
Étape 1. Cycle d'alimentation
L'appareil se réinitialise-t-il après un cycle d'alimentation : OUI/NON
Résultats :
- Si oui, il pourrait s'agir d'un problème de connexion. Demandez à l'appelant de s'assurer que les connexions des fils du capteur TH sont bien serrées.
- Si non – Passez à l’étape 2.
Étape 2. Vérifiez le capteur via l'écran pour voir la mesure
- Pour vérifier la mesure, appuyez sur le bouton Paramètres de la carte de commande.
- À l'aide des flèches Haut et Bas, faites défiler jusqu'à TH et enregistrez les nombres au centre de l'écran dans ISM.
- Transférez l'appel aux spécialistes du support technique.
11 GreenTronic 7000 - Code EH5L
11 GreenTronic 7000 - Code EH5L
11.1. Diagnostic avancé du Support technique
11.1.1 Notes ISM
|
Raison générale |
CC-7000T |
|
Raison spécifique |
CC-EH5L |
11.1.2 Informations sur le code d'erreur
| Code d'erreur | EH5L (L signifie « inférieur ») |
|---|---|
| Signification du code d'erreur | Capteur de température T5L non détecté. Élément inférieur du capteur de température |
| Causes possibles |
Fil roompu au niveau du capteur de température, capteur défectueux, mauvaise connexion à la carte |
11.1.3 Outils nécessaires
Multimètre numérique
11.1.4 Questions de diagnostic avancé (que faire ?)
Étape 1. Cycle d'alimentation
L'appareil se réinitialise-t-il après un cycle d'alimentation : OUI/NON
Résultats :
- Si oui, il pourrait s'agir d'un problème de connexion. Demandez à l'appelant de s'assurer que les connexions des fils du capteur T5L sont bien serrées.
- Si non – Passez à l’étape 2.
Étape 2. Vérifiez le capteur via l'écran pour voir la mesure
- Pour vérifier la mesure, appuyez sur le bouton Paramètres de la carte de commande.
- À l'aide des flèches Haut et Bas, faites défiler jusqu'à T5L et enregistrez les nombres au centre de l'écran dans ISM.
- Transférez l'appel aux spécialistes du support technique.
12 GreenTronic 7000 - Code EH5U
12 GreenTronic 7000 - Code EH5U
12.1. Diagnostic avancé du Support technique
12.1.1 Notes ISM
|
Raison générale |
CC-7000T |
|
Raison spécifique |
CC-EH5U |
12.1.2 Informations sur le code d'erreur
| Code d'erreur | EH5U (U signifie « supérieur ») |
|---|---|
| Signification du code d'erreur | Capteur de température T5U non détecté. Élément supérieur du capteur de température |
| Causes possibles |
Fil du capteur rompu de température, capteur défectueux, mauvaise connexion à la carte |
12.1.3 Outils nécessaires
Multimètre numérique
12.1.4 Questions de diagnostic avancé (que faire ?)
Étape 1. Cycle d'alimentation
L'appareil se réinitialise-t-il après un cycle d'alimentation : OUI/NON
Résultats :
- Si oui, il pourrait s'agir d'un problème de connexion. Demandez à l'appelant de s'assurer que les connexions des fils du capteur T5U sont bien serrées.
- Si non – Passez à l’étape 2.
Étape 2. Vérifiez le capteur via l'écran pour voir la mesure
- Pour vérifier la mesure, appuyez sur le bouton Paramètres de la carte de commande.
- À l'aide des flèches Haut et Bas, faites défiler jusqu'à T5U et enregistrez les nombres au centre de l'écran dans ISM.
- Transférez l'appel aux spécialistes du support technique.
13 GreenTronic 7000 - Code EHHP
13 GreenTronic 7000 - Code EHHP
13.1. Diagnostic avancé du Support technique
13.1.1 Notes ISM
|
Raison générale |
CC-7000T |
|
Raison spécifique |
CC-EHHP |
13.1.2 Informations sur le code d'erreur
| Code d'erreur | EHHP |
|---|---|
| Signification du code d'erreur | Défaillance du système de pompe à chaleur 3 fois de suite ou pendant plus d'une heure |
| Causes possibles |
Le compresseur ne chauffe pas Courant du compresseur trop élevé Faible réfrigérant |
13.1.3 Outils nécessaires
Multimètre numérique
13.1.4 Questions de diagnostic avancé (que faire ?)
Étape 1. Cycle d'alimentation
L'appareil se réinitialise-t-il après un cycle d'alimentation ?
- OUI – Problème de connexion possible. Il est recommandé à l'appelant de s'assurer que toutes les connexions sont bien serrées, de noter l'ISM et de mettre fin à l'appel.
- NON – Passez à l’étape 2.
Étape 2. Si sur site avec des outils, transférez l'appel aux spécialistes du Support technique
14 GreenTronic 7000 - Code FC06
14 GreenTronic 7000 - Code FC06
14.1. Diagnostic avancé du Support technique
14.1.1 Notes ISM
|
Raison générale |
CC-7000T |
|
Raison spécifique |
CC-FC06 |
14.1.2 Informations sur le code d'erreur
| Code d'erreur | FC06 |
|---|---|
| Signification du code d'erreur | Vanne d'arrêt automatique non détectée |
| Causes possibles |
Mauvaise connexion câblage défectueux mauvais réglage |
14.1.3 Outils nécessaires
Multimètre numérique
14.1.4 Questions de diagnostic avancé (que faire ?)
Étape 1. Cycle d'alimentation
L'appareil se réinitialise-t-il après un cycle d'alimentation ?
- OUI – Problème de connexion possible. Il est recommandé à l'appelant de s'assurer que toutes les connexions sont bien serrées, de noter l'ISM et de mettre fin à l'appel.
- NON – Passez à l’étape 2.
Étape 2. Vérifiez si la vanne d'arrêt automatique est installée. La vanne d'arrêt automatique est un accessoire et n'est pas obligatoire.
- OUI – Vérifiez que la connexion du fil à la vanne d’arrêt automatique est bien serrée.
- Si elle est serrée, notez ISM et passez à l'étape 3.
- Si elle est desserrée, l'erreur devrait disparaître. Notez l'ISM et terminez l'appel.
- NON – Passez à l’étape 3.
Étape 3. Vérifiez le réglage de la vanne d'arrêt automatique.
- Accédez aux paramètres avancés de la commande en maintenant le bouton Paramètres enfoncé pendant 3 secondes.
- Utilisez les flèches Haut/Bas pour faire défiler jusqu'à F38.
- Utilisez le bouton « Check » dans la rangée inférieure à droite.
- Modifiez le paramètre sur « 0 ».
- Appuyez sur le bouton « Back » à gauche du bouton « Check » pour enregistrer cette modification et la noter dans ISM.
- Si sur site avec des outils, transférez l'appelant aux spécialistes du Support technique
15 GreenTronic 7000 - Code PC06
15 GreenTronic 7000 - Code PC06
15.1. Diagnostic avancé du Support technique
15.1.1 Notes ISM
|
Raison générale |
CC-7000T |
|
Raison spécifique |
CC-PC06 |
15.1.2 Informations sur le code d'erreur
| Code d'erreur | PC06 |
|---|---|
| Signification du code d'erreur |
Température élevée au niveau du capteur TP (TP > 230°F /110°C). S'efface lorsque TP 194°F/90°C : si l'erreur se répète, appelez un technicien. |
| Causes possibles |
Dommage sur la conduite de réfrigérant. Faible réfrigérant. Mauvaise connexion des fils Capteur défectueux |
15.1.3 Outils nécessaires
Multimètre numérique
15.1.4 Questions de diagnostic avancé (que faire ?)
Étape 1. Cycle d'alimentation
L'appareil se réinitialise-t-il après un cycle d'alimentation : OUI/NON
Résultats :
- Si oui, il pourrait s'agir d'un problème de connexion. Demandez à l'appelant de s'assurer que les connexions des fils du capteur de pression des pneus sont bien serrées.
- Si non – Passez à l’étape 2.
Étape 2. Vérifiez le capteur via l'écran pour voir la mesure
- Pour vérifier la mesure, appuyez sur le bouton Paramètres de la carte de commande.
- À l'aide des flèches Haut et Bas, faites défiler jusqu'à TP et enregistrez les nombres au centre de l'écran dans ISM.
- Transférez l'appel aux spécialistes du support technique.
16 GreenTronic 7000 - Code PC30
16 GreenTronic 7000 - Code PC30
16.1. Diagnostic avancé du Support technique
16.1.1 Notes ISM
|
Raison générale |
CC-7000T |
|
Raison spécifique |
CC-PC30 |
16.1.2 Informations sur le code d'erreur
| Code d'erreur | PC30 |
|---|---|
| Signification du code d'erreur |
Pression de réfrigérant élevée détectée > 435 PSI lorsque le compresseur allumé > 350 PSI lorsque le compresseur est éteint |
| Causes possibles |
Interrupteur haute pression défectueux Faible débit d'air |
16.1.3 Outils nécessaires
Multimètre numérique
16.1.4 Questions de diagnostic avancé (que faire ?)
Étape 1. Cycle d'alimentation
L'appareil se réinitialise-t-il après un cycle d'alimentation : OUI/NON
Résultats :
- Si oui, il pourrait s'agir d'un problème d'alimentation. Remettez l'appareil en service et surveillez-le pour détecter d'autres erreurs.
- Si non – Si sur site avec des outils, transférez aux spécialistes du Support technique
17 GreenTronic 7000 - Code PH9b
17 GreenTronic 7000 - Code PH9b
17.1. Diagnostic avancé du Support technique
17.1.1 Notes ISM
|
Raison spécifique |
CC-7000T |
|
Raison spécifique |
CC-PH9b |
17.1.2 Informations sur le code d'erreur
| Code d'erreur | PH9b |
|---|---|
| Signification du code d'erreur | La température de l'eau dépasse le point de consigne de 5 °C (9 °F) |
| Causes possibles |
Mauvaise connexion des fils Capteur T5U défectueux |
17.1.3 Outils nécessaires
Multimètre numérique
17.1.4 Questions de diagnostic avancé (que faire ?)
Étape 1. Cycle d'alimentation
L'appareil se réinitialise-t-il après un cycle d'alimentation : OUI/NON
Résultats :
- Si oui, il pourrait s'agir d'un problème de connexion. Demandez à l'appelant de s'assurer que les connexions des fils du capteur T5U sont bien serrées.
- Si non – Passez à l’étape 2.
Étape 2. Vérifiez le capteur via l'écran pour voir la mesure
- Pour vérifier la mesure, appuyez sur le bouton Paramètres de la carte de commande.
- À l'aide des flèches Haut et Bas, faites défiler jusqu'à T5U et enregistrez les nombres au centre de l'écran dans ISM.
- Transférez l'appel aux spécialistes du support technique.
18 GreenTronic 7000 - Code PH15
18 GreenTronic 7000 - Code PH15
18.1. Diagnostic avancé du Support technique
18.1.1 Notes ISM
|
Raison générale |
CC-7000T |
|
Raison spécifique |
CCEC54 |
18.1.2 Informations sur le code d'erreur
| Code d'erreur | PH15 |
|---|---|
| Signification du code d'erreur | Fuite électrique détectée, le chauffe-eau ne peut pas fonctionner |
| Causes possibles |
Disjoncteur défectueux Câblage défectueux |
18.1.3 Outils nécessaires
Multimètre numérique
18.1.4 Questions de diagnostic avancé (que faire ?)
Étape 1. Cycle d'alimentation
L'appareil se réinitialise-t-il après un cycle d'alimentation : OUI/NON
Résultats :
- Si oui, il pourrait s'agir d'un problème d'alimentation. Remettez l'appareil en service et surveillez-le pour détecter d'autres erreurs.
- Si non – Notez la taille du disjoncteur et, Si sur site avec des outils, transférez-la aux spécialistes des techniques de support.
19 GreenTronic 7000 - Code PH20
19 GreenTronic 7000 - Code PH20
19.1. Diagnostic avancé du Support technique
19.1.1 Notes ISM
|
Raison générale |
CC-7000T |
|
Raison spécifique |
CC-PH20 |
19.1.2 Informations sur le code d'erreur
| Code d'erreur | CC-PH20 |
|---|---|
| Signification du code d'erreur | Le compresseur ne parvient pas à chauffer le réfrigérant |
| Causes possibles |
Problème de capteur Problème de compresseur |
19.1.3 Outils nécessaires
Multimètre numérique
19.1.4 Questions de diagnostic avancé (que faire ?)
Étape 1. Cycle d'alimentation
L'appareil se réinitialise-t-il après un cycle d'alimentation : OUI/NON
Résultats :
- Si oui, il pourrait s'agir d'un problème d'alimentation. Remettez l'appareil en service et surveillez-le pour détecter d'autres erreurs.
- Si non – Si sur site avec des outils, transférez aux spécialistes du Support technique
20 GreenTronic 7000 - Code PH21
20 GreenTronic 7000 - Code PH21
20.1. Diagnostic avancé du Support technique
20.1.1 Notes ISM
|
Raison générale |
CC-7000T |
|
Raison spécifique |
CC-PH21 |
20.1.2 Informations sur le code d'erreur
| Code d'erreur | PH21 |
|---|---|
| Signification du code d'erreur | Le courant de fonctionnement du compresseur est trop élevé. Le chauffe-eau fonctionnera uniquement en utilisant des éléments chauffants électriques. |
| Causes possibles |
Problème de capteur Problème de compresseur |
20.1.3 Outils nécessaires
Multimètre numérique
20.1.4 Questions de diagnostic avancé (que faire ?)
Étape 1. Cycle d'alimentation
L'appareil se réinitialise-t-il après un cycle d'alimentation : OUI/NON
Résultats :
- Si oui, il pourrait s'agir d'un problème d'alimentation. Remettez l'appareil en service et surveillez-le pour détecter d'autres erreurs.
- Si non – Si sur site avec des outils, transférez aux spécialistes du Support technique
21 GreenTronic 7000 - Code PH22
21 GreenTronic 7000 - Code PH22
21.1. Diagnostic avancé du Support technique
21.1.1 Notes ISM
|
Raison générale |
CC-7000T |
|
Raison spécifique |
CC-PH22 |
21.1.2 Informations sur le code d'erreur
| Code d'erreur | CC-PH22 |
|---|---|
| Signification du code d'erreur |
Capteur de fuite activé. Le chauffage de l’eau peut fonctionner normalement. |
| Causes possibles |
Fuite d'eau Fuite de réfrigérant |
21.1.3 Outils nécessaires
Multimètre numérique
21.1.4 Questions de diagnostic avancé (que faire ?)
Étape 1. Cycle d'alimentation
L'appareil se réinitialise-t-il après un cycle d'alimentation : OUI/NON
Résultats :
- Si oui, il pourrait s'agir d'un problème d'alimentation. Remettez l'appareil en service et surveillez-le pour détecter d'autres erreurs.
- Si non – Si sur site avec des outils, transférez aux spécialistes du Support technique
22 GreenTronic 7000 - Code PH24
22 GreenTronic 7000 - Code PH24
22.1. Diagnostic avancé du Support technique
22.1.1 Notes ISM
|
Raison générale |
CC-7000T |
|
Raison spécifique |
CC-PH24 |
22.1.2 Informations sur le code d'erreur
| Code d'erreur | PH24 |
|---|---|
| Signification du code d'erreur | Le capteur T5L est à 39 °F/4 °C et le capteur T4 à 45 °F/9 °C : protection antigel active |
| Causes possibles |
Problème de capteur Problème de câblage |
22.1.3 Outils nécessaires
Multimètre numérique
22.1.4 Questions de diagnostic avancé (que faire ?)
Étape 1. Cycle d'alimentation
L'appareil se réinitialise-t-il après un cycle d'alimentation : OUI/NON
Résultats :
- Si oui, il pourrait s'agir d'un problème d'alimentation. Remettez l'appareil en service et surveillez-le pour détecter d'autres erreurs.
- Si non – Si sur site avec des outils, transférez aux spécialistes du Support technique
23 GreenTronic 7000 - Code PH91
23 GreenTronic 7000 - Code PH91
23.1. Diagnostic avancé du Support technique
23.1.1 Notes ISM
|
Raison générale |
CC-7000T |
|
Raison spécifique |
CC-PH91 |
23.1.2 Informations sur le code d'erreur
| Code d'erreur | PH91 |
|---|---|
| Signification du code d'erreur | Température de l'évaporateur trop basse |
| Causes possibles |
Mauvaise connexion des fils Capteur de température défectueux L'air ambiant est trop froid (<39°F) |
23.1.3 Outils nécessaires
Multimètre numérique
23.1.4 Questions de diagnostic avancé (que faire ?)
Étape 1. Cycle d'alimentation
L'appareil se réinitialise-t-il après un cycle d'alimentation : OUI/NON
Résultats :
- Si oui, il pourrait s'agir d'un problème de connexion. Demandez à l'appelant de s'assurer que les connexions sont bien serrées.
- Si non – Il pourrait s'agir d'un capteur ouvert ou d'un problème de connexion. Passez à l'étape 2.
Étape 2. Vérifier la température de l'air ambiant
La température de l'air autour de l'appareil est-elle inférieure à 4 °C ? OUI/NON
- OUI – probablement trop froid pour l'appareil. Demandez à l'appelant d'augmenter la température de l'air autour de l'appareil. Notez-le dans le registre ISM et mettez fin à l'appel.
- NON – Si l’appelant est un technicien sur site avec des outils, transférez-le aux spécialistes du Support technique.
24 GreenTronic 7000 - Code PHL1
24 GreenTronic 7000 - Code PHL1
24.1.Diagnostique avancé du Support technique
24.1.1 Notes ISM
|
Raison générale |
CC-7000T |
|
Raison spécifique |
CC-PHL1 |
24.1.2 Informations sur le code d'erreur
| Code d'erreur | PHL1 |
|---|---|
| Signification du code d'erreur |
Eau détectée dans le bac à condensats. Le chauffe-eau fonctionnera en utilisant uniquement des éléments chauffants électriques. |
| Causes possibles |
L'évacuation des condensats est bloquée Interrupteur à flotteur défectueux. |
24.1.3 Outils nécessaires
Multimètre numérique
24.1.4 Questions de diagnostic avancé (que faire ?)
Étape 1. Cycle d'alimentation
L'appareil se réinitialise-t-il après un cycle d'alimentation : OUI/NON
Résultats :
- Si oui, il pourrait s'agir d'un problème de connexion. Demandez à l'appelant de s'assurer que les connexions sont bien serrées.
- Si non – Il pourrait s'agir d'un capteur ouvert ou d'un problème de connexion. Passez à l'étape 2.
Étape 2. Vérifiez l'évacuation des condensats
Le drain de condensat est-il propre ? OUI/NON
- OUI – transférez l’appelant aux spécialistes du Support technique
- NON – il faut nettoyer le drain