| Pos. | Bezeichnung/Artikelnummer | PG | |
|---|---|---|---|
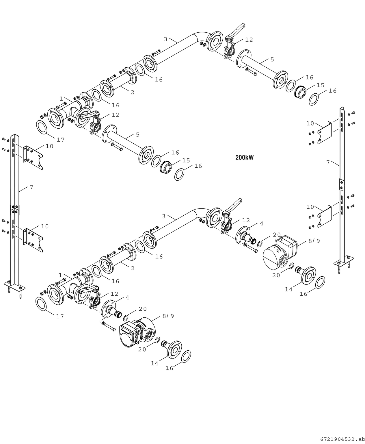
| 1 |
Rohr Kunde zu ASK int.6 everp
8 738 806 630
|
55 |
Zur Merkliste hinzufügen
|
| 2 |
Rohr Kunde zu ASK int.5 everp
8 738 806 629
|
49 |
Zur Merkliste hinzufügen
|
| 3 |
Rohr Kunde zu ASK int.4 everp
8 738 806 628
|
54 |
Zur Merkliste hinzufügen
|
| 4 |
Anschluss Pumpe DN65/PN16/G1 1/2" everp
8 738 806 640
|
52 |
Zur Merkliste hinzufügen
|
| 5 |
Rohr Kunde zur RSK int 3.1 everp
7 736 606 118
|
47 |
Zur Merkliste hinzufügen
|
| 7 |
Stütze V2 everp
7 736 606 129
|
49 |
Zur Merkliste hinzufügen
|
| 8 |
Pumpe Magna3 25-100 180 230V everp
7 736 603 872
|
86 |
Zur Merkliste hinzufügen
|
| 9 |
Pumpe KSB Calio 25-100 everp
7 736 606 368
|
76 |
Zur Merkliste hinzufügen
|
| 10 |
Halter DN80-PN6-DN65 PN16 everp
7 736 606 130
|
42 |
Zur Merkliste hinzufügen
|
| 12 |
ASK DN65 PN6/10/16 ARI-ZESA everp
7 736 603 884
|
49 |
Zur Merkliste hinzufügen
|
| 14 |
Anschluss Pumpe DN65/PN6/G1 1/2" everp
8 738 806 639
|
52 |
Zur Merkliste hinzufügen
|
| 15 |
Rückschlagklappe RK71 DN65 5mbar everp
7 736 606 115
|
53 |
Zur Merkliste hinzufügen
|
| 16 |
Dichtung 77x116x2mm (2x) everp
7 736 603 876
|
40 |
Zur Merkliste hinzufügen
|
| 17 |
Dichtung 90x132x2mm (2x) everp
7 736 603 879
|
40 |
Zur Merkliste hinzufügen
|
| 20 |
Dichtung 46x62x2mm 1 1/2" C4400 SP
8 738 650 465
|
30 |
Zur Merkliste hinzufügen
|
Schraube ISO 4014 M16x110 VZ (4x) everp
7 736 603 906
|
42 |
Zur Merkliste hinzufügen
|
|
Schraube ISO 4017 M16x65 VZ (4x) everp
7 736 603 908
|
42 |
Zur Merkliste hinzufügen
|
|
Schraube ISO4017 M12x100 (8x) everp
7 736 606 132
|
43 |
Zur Merkliste hinzufügen
|
|
|
Scheibe ISO 7089 A17 A3K (2x) everp
8 718 584 403
|
19 |
Zur Merkliste hinzufügen
|
|
Schraube ISO4017 M12x55 8.8 (2x) everp
8 718 584 404
|
17 |
Zur Merkliste hinzufügen
|
|
|
Scheibe ISO 7089-A13-A3K (5x) everp
8 718 584 413
|
20 |
Zur Merkliste hinzufügen
|
|
|
6kt-Mutter ISO4032 M16 8 A3K (2x) everp
8 718 584 414
|
16 |
Zur Merkliste hinzufügen
|
|
|
6kt-Mutter ISO4032 M12 8 A3K (4x) everp
8 718 584 901
|
17 |
Zur Merkliste hinzufügen
|